Ремонт Ключа Приора, Ключи Приора в Махачкале
Просмотров: 229
Воскресенье, 10 мая 2020 г.

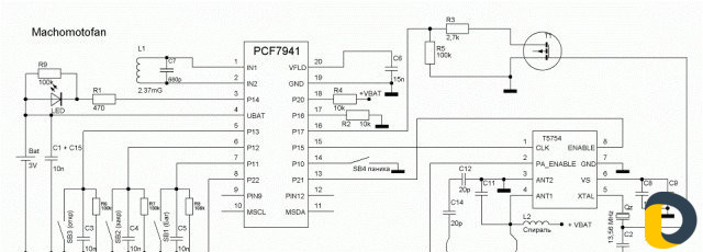
Ремонтируем ключи от приоры . от 100.до 500. так и другие пульты, пульт Сигналка паяем другие пульты и все узлы. Угол Кирова Амет-Хан Султана Магазин Сириус. Так же продам Кварцы на Ваз. А Также и Ремонт телефонов , замена экранов батарей, динамиков, гнёзд,
- Регион: Дагестан
- Город: Махачкала
- Район: Советский
- Адрес: 5-я Родниковая ул.
- Цена: 500р
На карте


